COMPONENTI OBSOLETI - disponibili su richiesta
DHU e DHO sono elettrovalvole a comando diretto a tre o quattro vie, a due o tre posizioni, progettate per funzionare in sistemi oleodinamici.
Sono azionati da solenoide (3) a umido e a pressione con comando manuale e bobine certificate secondo lo standard nordamericano cURus:
Le parti mobili sono protette, lubrificate e imbottito in olio. Colata a conchiglia (1) lavorata da trasferire le linee e quindi pulire mediante sbavatura termica. I percorsi di flusso ottimizzati sono in gran parte dotati di canali extra-wide per il serbatoio per bassi cali di pressione. Bobine intercambiabili (2) disponibili in un'ampia varietà di configurazioni.
Le valvole DHU e DHO possono essere fornite con dispositivi opzionali per il controllo dei tempi di commutazione. Connettori elettrici / elettronici standard (4) in grado di soddisfare le esigenze delle moderne macchine per caratteristiche di interfacce elettriche. Le bobine sono completamente incapsulate (classe H)
In DHU, le bobine sono facilmente sostituibili senza l'ausilio di utensili. Esecuzione robusta adatta per l'esterno uso.
Superficie di montaggio ISO 4401 dimensione 06
Portata massima fino a 60 per DHU e fino a 80 l/min per DHO
Pressione massima: 350 bar
Se il simbolo non mostra il collegamento idraulico (*), dipende dalla configurazione centrale della bobina; vedere la sezione 3
| Posizione di installazione | Qualsiasi posizione per tutte le valvole ad eccezione del tipo -070* (senza molle) che deve essere installata con asse orizzontale se azionata da impulsi |
| Finitura superficie di montaggio | Indice di rugosità Ra 0,4 - rapporto di planarità 0,01/100 (ISO 1101) |
| Temperatura ambiente | Da -20°C a +70°C |
| Fluido | Olio idraulico secondo DIN 51524...535; per altri fluidi vedere la sezione 1 |
| Viscosità raccomandata | 15 ÷ 100 mm²/s a 40°C (ISO VG 15 ÷ 100) |
| Classe di contaminazione del fluido | ISO 19/16, ottenibile con filtri in linea da 25 µm (β25 ≥ 75 raccomandato) |
| Temperatura del fluido | -20°C +60°C (standard e guarnizioni /WG) -20°C +80°C (guarnizioni /PE) |
| Direzione flusso | Come mostrano i simboli nelle sezioni 2 e 3 |
| Pressione di esercizio | Bocche P, A, B: 350 bar; Bocca T: 210 bar |
| Flusso nominale | vedere diagrammi Q/Δp alla sezione 7 |
| Portata massima | 60 l/min per DHU; 80 l/min per DHO, vedere limiti di esercizio alla sezione 8 |
| Classe di isolamento | H (180°C) A causa della temperatura superficiale delle bobine dei solenoidi, occorre considerare gli standard europei EN563 e EN982. |
| Grado di protezione secondo DIN 43650 | IP 65 |
| Fattore di utilizzo | 100% |
| Tensione e frequenza di alimentazione | Vedere le caratteristiche elettriche alla sezione 6 |
| Tolleranza alimentazione | ±10% |
| Certificazione | cURus |
1 Opzioni
2 Tipo di connettore elettrico/elettronico DIN 43650, da ordinare separatamente
3 Cursori
| Valvola | Tensione nominale alimentazione esterna ±10% | Codice tensione | Tipo di connettore | Potenza assorbita (2) | Codice bobina di ricambio DHU | Colore etichetta bobina |
|---|---|---|---|---|---|---|
| DHU | 6 DC | 6 DC | SP-666 o SP-667 | 33 W | SP-COU-6DC/ 80 | marrone |
| 9 DC | 9 DC | SP-COU-9DC /80 | azzurro | |||
| 12 DC | 12 DC | SP-COUR-12DC /10 | verde | |||
| 14 DC | 14 DC | SP-COUR-14DC /10 | marrone | |||
| 18 DC | 18 DC | SP-COU-18DC /80 | blu | |||
| 24 DC | 24 DC | SP-COUR-24DC /10 | rosso | |||
| 28 DC | 28 DC | SP-COUR-28DC /10 | argento | |||
| 48 DC | 48 DC | SP-COU-48DC /80 | argento | |||
| 110 DC | 110 DC | SP-COUR-110DC /10 | nero | |||
| 125 DC | 125 DC | SP-COU-125DC /80 | argento | |||
| 220 DC | 220 DC | SP-COUR-220DC /10 | nero | |||
| 110/50 AC 120/60 AC |
110RC | SP-669 | 40 VA 35 VA |
SP-COUR-110RC /10 | oro | |
| 230/50 AC 230/60 AC |
230RC | 40 VA 35 VA |
SP-COUR-230RC /10 | blu |
| Valvola | Tensione nominale alimentazione esterna ±10% | Codice tensione | Tipo di connettore | Potenza assorbita (2) | Tensione nominale alimentazione esterna ±10% | Codice tensione | Tipo di connettore | Potenza assorbita (2) |
|---|---|---|---|---|---|---|---|---|
| DHO | 12 DC | 12 DC | SP-666 o SP-667 | 32 W | 110/50 AC | 110 DC | SP-669 | 40 W 35 W |
| 24 DC | 24 DC | 120/60 AC | ||||||
| 110 DC | 110 DC | 40 W | 230/50 AC | 220 DC | 40 W 35 W |
|||
| 220 DC | 220 DC | 230/60 AC |
(1) La bobina può essere fornita anche con frequenza di tensione di 60 Hz: in questo caso le prestazioni sono ridotte del 10 ÷ 15% e il consumo di energia è di 55 VA.
(2) Valori medi basati su test eseguiti a condizioni idrauliche nominali e temperatura ambiente/bobina di 20°C.
(3) Quando il solenoide è eccitato, la corrente di spunto è circa 3 volte la corrente di mantenimento. I valori di corrente di spunto corrispondono a un consumo energetico di circa 150 VA.
| Direzione della portata | P→A | P→B | A→T | B→T | P→T | |
|---|---|---|---|---|---|---|
| Tipo di cursore | ||||||
| 0 | C | C | C | C | ||
| 0/2, 1, 1/2 | A | A | A | A | ||
| 2, 3 | A | A | C | C | ||
| 2/2, 4, 5, 9* | D | D | D | D | A | |
| 6 | A | A | C | A | ||
| 7 | A | A | A | C | ||
| 8 | C | C | B | B | ||
Gli schemi sono stati ottenuti con solenoidi caldi e alimentazione al valore più basso (Vnom - 10%). Le curve si riferiscono all'applicazione con flusso simmetrico attraverso la valvola (i.e. P→A e B→T). In caso di flusso asimmetrico e se le valvole hanno i dispositivi per il controllo dei tempi di commutazione, i limiti operativi devono essere ridotti.
CONDIZIONI DI PROVA:
L'elasticità del circuito idraulico e le variazioni delle caratteristiche idrauliche e della temperatura influiscono sul tempo di risposta.
DHU
| Valvola | Accensione AC | Accensione DC | Spegnimento |
|---|---|---|---|
| DHU + SP-666 / SP-667 | - | 45 | 20 |
| DHU + SP-669 | 45 | - | 80 |
| DHU + E-SD | - | 45 | 50 |
| DHU + */L1 | - | 60 | 60 |
| DHU + */L2 | - | 80 | 80 |
| DHU + */L3 | - | 110 | 150 |
DHO
| Valvola | Accensione AC | Accensione DC | Spegnimento |
|---|---|---|---|
| DHO + SP-666 / SP-667 | - | 50 | 20 |
| DHO + SP-669 | 50 | - | 80 |
| DHO + E-SD | - | 50 | 50 |
| DHO + */L1 | - | 60 | 60 |
| DHO + */L2 | - | 80 | 80 |
| DHO + */L3 | - | 150 | 150 |

Opzioni -XJ, bobina tipo SP-COUJ, SP-COURJ
Connettore AMP Junior Timer
Grado di protezione IP67


Opzioni -XK, bobina tipo SP-COURK
Connettore Deutsch DT-04-2P maschio
Grado di protezione IP67


Opzioni -XS, bobina tipo SP-COUS, SP-COURS
Connessione Lead Wire
Lunghezza cavo = 180 mm

Nota: Le bobine di cui sopra sono disponibili solo per alimentazione di tensione 12, 14, 24 e 28 VDC. Per le caratteristiche riferirsi alle caratteristiche delle bobine standard - vedi sez. 6
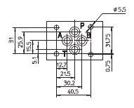
ISO 4401 : 2005
Superficie di montaggio: 4401-03-02-0-05
Viti di fissaggio:
4 viti M5x50 classe 12.9
Coppia di serraggio = 8 Nm
Guarnizioni: 4 OR 108
Bocche P, A, B, T:Ø = 7,5 mm (max)

P = PRESSIONE BOCCA
A, B = BOCCA UTILIZZO
T = BOCCA SERBATOIO
Per la pressione massima sulle bocche, vedere sez. 4
DHU-06

DHU-07

DHO-06

DHO-07

Le dimensioni generali si riferiscono a valvole con connettori tipo SP-666

Da ordinare separatamente
| SP-666, SP-667 (per alimentazione AC o DC) | SP-669 (per alimentazione AC) |
![]() |
![]() |
| Collegamento Cablaggio | |
| SP-666, SP-667 | SP-669 |
| 1 = Positivo (+) 2 = Negativo (-) = Terra bobina |
1, 2 = Tensione di alimentazione Vac 3 = Terra bobina |
| Tensione di alimentazione | ||
| SP-666 | SP-667 | SP-669 |
| Tutte le tensioni | 24 AC o DC 110 AC o DC 220 AC o DC |
110/50 AC 110/60 AC 230/50 AC 230/60 AC |
Nota: per connettori elettrici modello E-SD, vedere tab. K500
| Modello | Posizione bocche | Bocche GAS A-B-P-T | Ø Lamature (mm) A-B-P-T | Massa (Kg) |
|---|---|---|---|---|
| BA-202 | Bocche A, B, P, T inferiori | 3/8" | - | 1,2 |
| BA-204 | Bocche P, T inferiori; bocche A, B laterali | 3/8" | 25,5 | 1,8 |
| BA-302 | Bocche A, B, P, T inferiori | 1/2" | 30 | 1,8 |
Le placche sono fornite con 4 viti di fissaggio M5x50. Sono anche disponibili le piastre multistazione e le placche modulari. Per ulteriori dettagli vedere la tabella K280.
Vuoi rimanere aggiornato sulle ultime novità ?
ISCRIVITI