Informativa estesa sui Cookie: questo sito fa uso di Cookie tecnici e di terze parti, non fa uso di Cookie di profilazione. ACCETTO LEGGI
/
Accedi

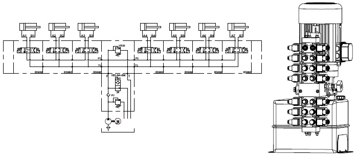
Esempi applicazione elementi modulari centraline idrauliche

Design

Esempio orizzontale

Elettrovalvola CETOP 2143 [Ø6mm (0,24inch)]

Nota
Si prega di contattare i nostri punti vendita per maggiori informazioni.

Potrebbero interessarti

Elemento modulare modelli N76-N26 | Mini centraline K - KE - KSvedi prodotto
RICHIEDI QUOTAZIONE
OTTIENI ASSISTENZA

Iscriviti alla newsletter

Vuoi rimanere aggiornato sulle ultime novità?

ISCRIVITI