Informativa estesa sui Cookie: questo sito fa uso di Cookie tecnici e di terze parti, non fa uso di Cookie di profilazione. ACCETTO LEGGI
/
Accedi

Piastre modulari con orifizi calibrati SET-050268

ISO 4401 dimensione 06

Scheda tecnica TE020

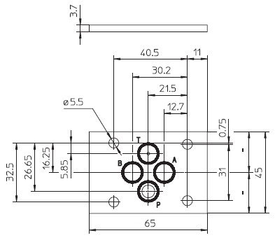
Piastre modulari con fori calibrati sulle bocche A, B, P, T, per montaggio sotto valvole NG6.
Sono disponibili fino a 23 diversi fori calibrati da 0,4 mm a 5,0 mm, con combinazione di più bocche in base ai requisiti dell'applicazione.

Applicazione
Per limitare il flusso alle valvole pilota o agli attuatori, invece di utilizzare PLUG o altri tipi di restrittori.
Le piastre modulari sono complete di 4 OR-108.

 

Sezione 1: CODICE MODELLO

SET-050268

Piastre modulari con fori calibrati, fornite con 4 OR-108

/ A*, B*, P*, T*

A, B, P, T = identificazione bocca
* = dimensione foro, vedere sezione 2

/*

Materiale giunzioni
- = NBR
PE = FKM

ESEMPIO CODICE MODELLO
SET-050268/A04, B00, T15

Bocca A con foro da 0,4 mm
Bocca B senza foro
Bocca T con foro da 1,5 mm
Bocca P con foro standard da 7 mm

Nota: nel codice omettere l'identificazione della porta se il foro corrispondente è standard ø 7 mm

 

Sezione 2: DIMENSIONI E FORI DISPONIBILI

Codice ø foro (mm)
A, B, P, T
Vista laterale
/*04 0.4

ISO 4401 : 2005
Superficie di montaggio: ISO 4401-03-02-0-05

/*05 0.5
/*06 0.6
/*07 0.7
/*08 0.8
/*09 0.9
/*10 1
/*12 1.25
/*15 1.5
/*17 1.75
/*20 2
/*22 2.25
/*25 2.5
/*27 2.75
/*30 3
/*32 3.25
/*35 3.5
/*37 3.75
/*40 4
/*42 4.25
/*45 4.5
/*47 4.75
/*50 5

Potrebbero interessarti

Elettrovalvole a basso assorbimento DHE, DHOvedi prodotto
Elettrovalvole a comando diretto DHEP, DKEPvedi prodotto
Elettrovalvole compatte a bassa dispersione SDHL8vedi prodotto
Connettore elettrico DIN con interfaccia M12vedi prodotto
RICHIEDI QUOTAZIONE
OTTIENI ASSISTENZA

Iscriviti alla newsletter

Vuoi rimanere aggiornato sulle ultime novità?

ISCRIVITI