Informativa estesa sui Cookie: questo sito fa uso di Cookie tecnici e di terze parti, non fa uso di Cookie di profilazione. ACCETTO LEGGI
/
Accedi

Strozzatori in linea AQFR

Montaggio in linea - da attacchi filettati G 3/8" a G 1¼"

Scheda tecnica C280

Gli strozzatori AQFR non sono valvole di limitazione del flusso compensate con una valvola di ritegno integrata (1) per consentire il flusso libero nella direzione opposta.

La regolazione del flusso avviene ruotando l'esagono esterno (2). La rotazione in senso orario aumenta la strozzatura (passaggio ridotto). Il flusso regolato è una funzione della perdita di carico esistente tra le porte di ingresso e di uscita.

Sono disponibili in cinque dimensioni: da 3/8 "a 1 1/4" GAS con flusso rispettivamente fino a 30, 50, 80, 160, 250 l / min.

Pressione massima: 350 bar

Sezione 1: CODICE MODELLO

 

Sezione 2: CARATTERISTICHE IDRAULICHE

Simboli idraulici
Codice valvola AQFR-10 AQFR-15 AQFR-20 AQFR-25 AQFR-32
Portata massima consigliata (l/min) 30 50 80 160 250
Pressione massima (bar) 400 350

Sezione 3: CARATTERISTICHE PRINCIPALI, GUARNIZIONI E FLUIDI

per gli altri fluidi non compresi nella tabella seguente, consultare il nostro ufficio tecnico
Posizione di installazione Qualsiasi posizione
Temperatura ambiente Esecuzione standard = -30°C ÷ +70°C
Opzione /PE = -20°C ÷ +70°C
Opzione /BT = -40°C ÷ +70°C
Guarnizioni, temperatura del fluido consigliata Guarnizioni NBR (standard) = -20°C ÷ +60°C, con fluidi idraulici HFC = -20°C ÷ +50°C
Guarnizioni FKM (opzione /PE) = -20°C ÷ +80°C
Guarnizioni HNBR (opzione /BT) = -40°C ÷ +60°C, con fluidi idraulici HFC = -40°C ÷ +50°C
Viscosità raccomandata 15÷100 mm²/s - limiti max ammessi 2,8 ÷ 500 mm²/s
Classe di contaminazione idraulico ISO 4406 classe 21/19/16 NAS 1638 classe 10 ottenibile con filtri in linea da 25 µm (β25 ≥ 75 raccomandato)
Fluido idraulico Tipo di guarnizioni adatte Classificazione Rif. standard
Oli minerali NBR, FKM, HNBR HL, HLP, HLPD, HVLP, HVLPD DIN 51524
Ininfiammabile senza acqua FKM HFDU, HFDR ISO 12922
Ininfiammabile con acqua NBR, HNBR HFC

Sezione 4: DIAGRAMMI

con olio minerale ISO VG 46 a 50°C
Diagramma Q/Δp attraverso la valvola di non ritorno per il flusso libero B→A con lo strozzatore completamente aperto e completamente chiuso

1 = AQFR-10 completamente chiuso
2 = AQFR-10 completamente aperto
3 = AQFR-15 completamente chiuso
4 = AQFR-15 completamente aperto
5 = AQFR-20 completamente chiuso
6 = AQFR-20 completamente aperto

7 = AQFR-25 completamente chiuso
8 = AQFR-25 completamente aperto
9 = AQFR-32 completamente chiuso
10 = AQFR-32 completamente aperto

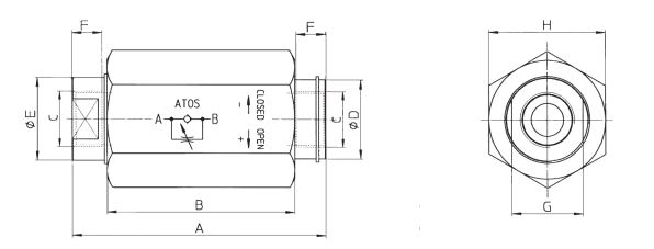
Sezione 5: DIMENSIONI (mm)

Valvola A B C ØD ØE F G H Massa (Kg)
AQFR-10 93 68 G 3/8” 28 25 13 24 41 0,7
AQFR-15 105 78 G 1/2” 32 50 15 27 46 1
AQFR-20 127 95,5 G 3/4” 36 34 17 32 55 1,6
AQFR-25 153 112 G 1” 48 45 19 42 75 3,5
AQFR-32 196 145 G 1 ¼” 63 60 21 55 90 6,5

Potrebbero interessarti

Valvola di controllo portata QV-06vedi prodotto
Valvole di ritegno a cartuccia modelli DB, DRvedi prodotto
Valvola di non ritorno ADRvedi prodotto
Valvole di non ritorno ADRL, AGRL, AGRLEvedi prodotto
RICHIEDI QUOTAZIONE
OTTIENI ASSISTENZA

Iscriviti alla newsletter

Vuoi rimanere aggiornato sulle ultime novità?

ISCRIVITI